Vi sono 1000 modi per poter dotare il proprio fuoristrada di una seconda batteria, a seconda dell’uso che se ne vuole fare, di cosa si vuole ottenere e, perché no, della fantasia e capacità di ognuno.
A me serviva un impianto che mi alimentasse un frigorifero ed altri accessori ad auto spenta, che lo facesse in maniera automatica ma con la possibilità di intervenire manualmente in caso di guasto ad uno dei componenti e che mi potesse anche fare da backup in caso di dipartita della batteria principale potendo utilizzare la seconda al suo posto.
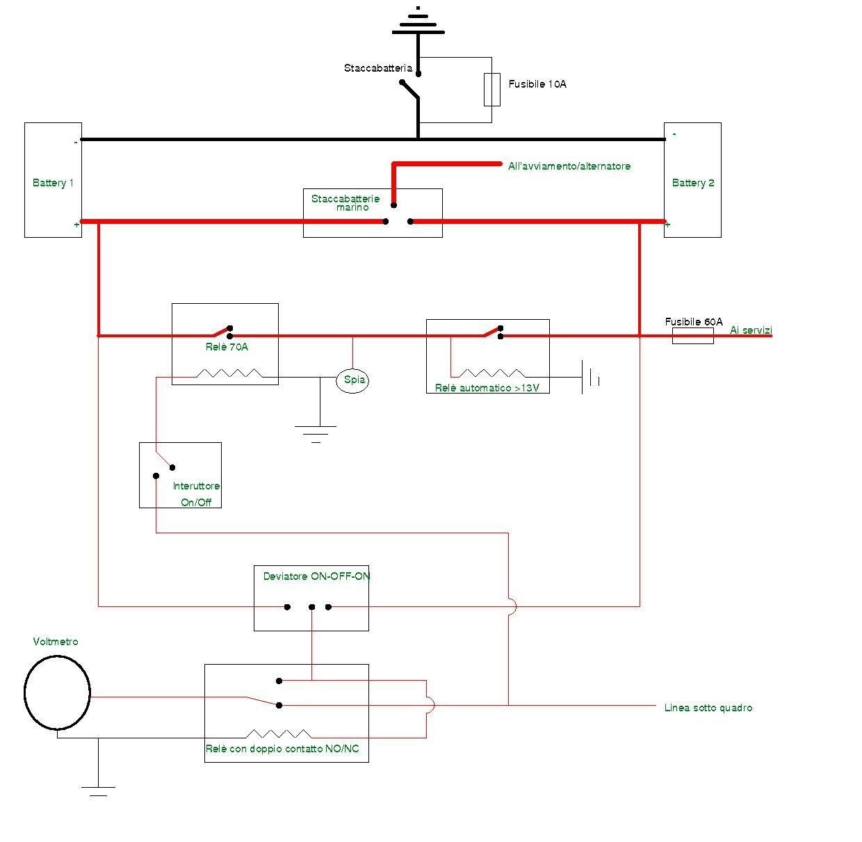
Schema elettrico
La parte relativa ai cavi di potenza è alquanto semplice: le due batterie sono chiaramente messe in parallelo, i due positivi vanno ognuno su uno dei due poli di un deviabatterie di derivazione nautica dal quale parte il cavo che và all’avviamento e all’alternatore, tramite il deviabatterie posso scegliere manualmente se destinare all’avviamento la batteria 1, la 2 oppure entrambe le batterie in parallelo.
I due negativi invece sono collegati tra di loro ed insieme vanno a massa interrotti da uno staccabatterie unipolare del tipo con chiavetta, tra i due poli dello staccabatteria è stato messo un fusibile da 10A: questo trucchetto mi permette di utilizzare lo staccabatteria come antifurto senza per questo interrompere l’alimentazione dei servizi base della vettura: orologio, memoria autoradio, plafoniera interna, chiusura centralizzata, ecc, nel caso però un ladro tentasse di avviare il motore chiaramente il fusibile salterebbe, idem nel caso di cortocircuito importante, svolgendo così la funzione di protezione contro gli incendi.
Relè automatico
La parte di controllo invece è un pochino più complessa: ho utilizzato un relè prodotto dall’australiana Sidewinder (foto 2) che si innesta automaticamente al raggiungimento dei 13,2v, in pratica quando l’alternatore carica, e si diseccita quando scende sotto i 12,4, quindi a macchina spenta.
Purtroppo questo relè non dà la possibilità di controllo da parte dell’utilizzatore, cosa che volevo io, e così ho interposto un secondo relè da 70A, questa volta di tipo automobilistico classico, comandato da un interuttore, in questo modo posso abilitare o meno la ricarica automatica della seconda batteria.
L’ultima parte dello schema riguarda l’alimentazione di un voltmetro: tramite un relè ed un deviatore è possibile controllare indipendentemente lo stato delle due batterie anche a quadro spento, mentre a quadro acceso avremmo visualizzato lo stato della batteria connessa all’avviamento.
Vista laterale cruscotto
Vista frontale cruscotto
Passiamo alla fase pratica: chiaramente dovendo installare la seconda batteria su un Defender la posizione più comoda è di fianco alla batteria originale, sotto al sedile guidatore, questa posizione è risultata comoda anche per approntare una sorta di cruscotto supplementare per comandare l’impianto (foto 3, 4 e 5).
Il cruscotto è stato approntato rivestendo con alluminio mandorlato a grana di riso il gavone sotto al sedile, dove sono poi stati inseriti gli staccabatteria, gli interuttori, la spia e un portafusibile da pannello.
L’interuttore di ON/OFF dell’impianto e il deviatore per il voltmetro sono stati protetti da due maniglie per evitare azionamenti involontari.
Collegamento dei cavi
Ho provveduto quindi al collegamento dei cavi lato macchina: la massa ad un polo dello staccabateria a chiavetta e il cavo d’avviamento al comune del deviabatterie marino, inoltre ho effettuato il cablaggio dei cavi per il circuito di controllo.
I due cavi marrone e blu (quest’ultimo sotto fusibile da 60A) vanno ad alimentare i servizi (frigorifero, pc, compressore, ecc)
Predisposizione per il fissaggio delle batterie
La batteria aggiuntiva, come detto, ho deciso di metterla di fianco all’originale, per fare questo però ho dovuto inventarmi un nuovo metodo di fissaggio.
Ho preso quindi un asse di multistrato e l’ho fissato al fondo del gavone con 4 bulloni M8, l’asse era stata precedentemente asolata e nell’asola ho fatto passare una cinghia a criccketto, in questo modo posso ora fissare le due batterie in modo sicuro.
Preparazione cavi
Prima di inserire le batterie nel loro alloggiamento ho provveduto a preparare i cavi tagliati a misura e muniti di capicorda adeguati.
Quello strano macchinario che vedete a fianco dei cavi è una sorta di minipressa che utilizza il crick a bottiglia in dotazione al mio Defender e che mi sono inventato non avendo a disposizione l’apposita pinza per crimpare i capicorda di grosse dimensioni
Preparazione delle batterie
Una volta inserite le batterie non avrei più spazio a sufficienza per lavorare accanto ai poli positivi, ecco perchè i relativi cavi vengono fissati prima dell’inserimento.
Inutile dire che da questo momento i poli negativi delle batterie devono essere ben protetti dalle apposite coperture
Batterie inserite
Inseriamo le batterie, come si vede lo spazio a disposizione è giusto giusto….
Fissaggio cavi agli staccabatterie
….si fissano i cavi ai rispettivi poli degli staccabatterie e si provvede ad isolarli con le apposite protezioni (anche se non sembra c’è spazio a sufficienza per lavorare)….
Morsetti negativi
….quindi si fissano i morsetti negativi di entrambe le batterie….
Fissaggio finale
…infine si proteggono i poli delle batterie con le apposite coperture e si mette in tensione la cinghia a criccketto, avendo cura di proteggere le batterie da eventuali sfregamenti.
NB: questo lavoro, di cui vado particolarmente fiero, è stato pubblicato sul numero 6, marzo/aprile 2009, della rivista Elaborare4x4
Lista della spesa (cliccka sull’articolo che ti interessa)
– Batteria
– Deviabatterie
– Staccabatteria
– Parallelatore di carica
– Relè auto
– Rele’ 70A
– Capicorda
– Guaina termorestringente
– Spia luminosa
– Interruttori
– Minuteria elettrica
































Roberto Salini – quello che i miei occhi hanno visto.
Sea Stones
Agriturismo Poggio Caminata
_______________________________
ciao Gegio complimenti per questo tuo lavoro nel posizionare la 2 batteria e la chiarezza nella spiegazione delle foto e della procedura da seguire.. se non ti spiace cerchero’ di copiarti ed esseere alla tua altezza di esecuzione se non ti offendi.. ciao e grazie per il tuo servizio…
Ma che scherzi? perchè credi che abbia pubblicato l’articolo se non per dare spunto a chi volesse rifarlo? 😉
Ciao Gegio sto impazzendo per fare un impianto a doppia batteria su un pajero 2.5td con un commutatore nautico e da i tuoi disegni sono rimasto al quanto stupito ed ho trovato risposte a qualche domanda che mi ponevo. Mi potresti spiegare meglio dopo aver collegato i poli cosa devo fare? il commutatore dove lo devo posizionare? devo prendere qualche filo dall’alternatore? Da premettere che voglio fare questo lavoro solo per fari supplementari ant. e post. vericello ed impianto stereo e CB.
Non conosco il pajero quindi non posso dirti dove potresti posizionare il commutatore… per le altre domande se guardi più sotto troverai altri schemi, dal più semplice via via al più complesso, che potranno aiutarti.
Ciao Gegio grazie per la risp. pero quello che volevo chiederti e come fare cioe le 2 batterie vanno collegate in parallelo alla 2 batteria spezzo i fili per il commutatore e poi non capisco devo collegare qualche fili all’alternatore?oppure la prima batteria e quella che carica tutto? Grazie.
Dipende anche da cosa vuoi ottenere, ma collegando in parallelo secco le due batterie, con un eventuale staccabatterie nel mezzo per isolare la seconda dalla principale, già sei a posto: la carica dall’alternatore arriva alla prima batteria col cavo di serie e alla seconda col cavo che avrai messo tu.
beh grazie ancora.. he he ciao alla prox e chissa che non si riuscira’ a incontrarsi cosi potro’ offrirti da bere… ciao da Temsah.. su DLS..
ciau gegio ! il fatto che hai publicato in modo cosi dettagliato questo tuo intervento fa la differenza !… è una dimostrazione di felicita altruistica,la (condivisione)… ho intenzione di usufruire anc io di questa tua idea. parte del materiale è facilmente rintracciabile, e i relè ?…
Il relè automatico lo acquistai su Ebay ma il venditore ha anche un proprio sito internet (vedi l’indirizzo sul corpo del relè), quello da 70A lo trovi da qualsiasi ricambista mediamente fornito.
Sinceramente, dovessi rifarlo, proverei un’altra soluzione a cui ho pensato solamente dopo aver fatto questo impianto e cioè utilizzare il solo relè da 70A comandato dalla spia dell’alternatore….dovrebbe funzionare ma non avendo provato non garantisco nulla…
Dove si comprano le fasce a cricchetto?
Ti ho risposto sul thread del portaruota 😉
Deep tuhghot! Thanks for contributing.
Gegio..scusa la mia ignoranza in materia, ma di elettricità e circuiti ci capisco davvero poco, ho bisogno di farti una domanda, il devia batterie, se è messo solo su 1 o solo su 2 si accende e poi carica solamente quella giusto? perchè chiude il circuto solo da quella parte? se invece è su “both” accende e carica con entrambe giusto? premesso questo come fai a caricarle entrambe se accendi solo con una? altra cosa…cosa serve il relais automatico? e quello manuale? doppio spesa? per una doppia sicurezza? ultima cosa, il circuito del volmetro ti serve a te per conoscere lo stato delle batterie giusto? ai fini del funzionamento posso fermarmi ai rele vero? hehe
scusami se sono domande inutili e banali, ma non ho troppa familiarità, in ultimo complimenti per il sito e per la tua gentilezza che dimostri nel mettere a disposizione di tutti il tuo tempo e la tua conoscenza..grazie
Ciao Jacopo, cerco di rispondere ai tuoi quesiti:
– il deviabatterie è quello che decide quale batteria usare per l’avviamento e di conseguenza quale ricaricare, questo in un uso del tutto manuale
– il relè automatico si chiude quando all’ingresso sente un voltaggio superiore ai 14 volts (alternatore in ricarica), questo significa che se ho il devio su “1” e quindi sto ricaricando solo la batteria principale, il relè chiudendosi permette la ricarica anche della seconda. Ovviamente appena spegni il motore il relè si diseccita staccando nuovamente le due batterie, preservando quella di avviamento mentre usi quella dei servizi.
– il relè manuale mi serve per poter decidere da me se e quando ricaricare entrambe le batterie. Mi spiego: mi è successo di bruciarne una, ovviamente non è stato un problema avendone un’altra, ma lo sarebbe stato se l’impianto fosse stato totalmente automatico perchè avrebbe collegato entrambe le batterie danneggiando anche quella buona, in questo modo invece decido io se, come e quando abilitare il relè automatico 😉
– il relè del voltmetro si, è un di più non strettamente necessario ai fini del funzionamento dell’impianto.
Però, a ben vedere, non lo sono nemmeno il relè automatico e l’altro da 70A 🙂 puoi fare un impiantino che ti fà gli stessi servizi utilizzando solo il devio (Poggio, che spesso scrive su questo sito l’ha realizzato così il suo impianto), però dovrai ricordarti tu di ruotare il devio ogni volta che ti fermi per campeggiare ed ogni volta che riparti, idem potresti non mettere il devio e mettere solo un relè che ti colleghi le batterie a motore avviato, ma non avresti la possibilità di usare la batteria servizi per avviare il motore in caso di panne della batteria principale… insomma ci sono 1000 modi di fare un impianto del genere ed ognuno ha i suoi pro ed i suoi contro.
PS: dopo aver fatto questo impianto ho pensato che invece del relè automatico si potrebbe usare un normale relè da 70A comandato dalla spia dell’alternatore, ma è tutta da verificare come idea.
Che dire… se hai bisogno ancora chiedi pure altrimenti buon lavoro 🙂
GEGIO GRAZIE..un grazie è sempre dovuto ad una persona disponibile..
ok ora mi è tutto più chiaro, avevo letto prima su AL ma poi senza foto era da suicidio capire. Comunque da quello che ho capito io posso fare il circuito fino al devio..e poi mettere uno staccabatterie sul “circuito di caricamento” che ogni volta a motore avviato vado ad attivare o meno per abilitare\disabilitare la carica della seconda batteria, è esatto come ragionamento? con il tuo circuito, o quello che ti ho appena detto le batterie saranno solo poche volte in parallelo ovvero solo in caso di avviamoento con entrambe per il resto le batterie non avranno mai un collegamento diretto tra di loro esatto?
ultima domanda da neofità, 😀 il\un relè funziona solo in un senso? o anche nel senso opposto?
grazie
Ciao Jacopo, grazie per i complimenti 😉
Allora…non ho capito se tu vuoi un circuito “base” e semplice da realizzare oppure uno più complesso, così mi sono eprmesso di farti qualche schemino, giusto per spiegarmi meglio e magari farti capire cosa sia meglio per te per i tuoi usi e le tue possibilità di realizzazione.
Primo esempio: circuito base.
Si tratta di mettere le due batterie in parallelo, collegamento fisso sul negativo e interrotto da un semplice staccabatteria da 10 euro tra i positivi.
In questo modo tu hai la possibilità di separare le due batterie quando devi usare i servizi a motore spento e di ricaricare la seconda batteria a motore acceso… è tutto manuale, hai la possibilità in inverno di tenere le due batterie in parallelo fisso per aiutare l’avviamento a freddo ma non hai la possibilità di scegliere con quale batteria avviare in caso di panne di una o dell’altra.
Esempio 2: primo step.
Come il precedente ma con un deviabatterie marino al posto del semplice stacca.
A fronte di mezz’ora in più di lavoro avrai la possibilità di scegliere con quale batteria avviare.
I servizi li puoi collegare come da schema (una batteria solitamente dedicata ai servizi ed una all’avviamento) oppure all’uscita del devio insieme all’avviamento (a rotazione avrai una batteria per i servizi ed una per l’avviamento), ovviamente sempre tutto manuale.
In entrambi i casi precedenti potrai poi aggiungere uno stacca generale sul negativo che ti servirà come emergenza e come antifurto.
Da queste basi poi si inizia ad automatizzare fino ad arrivare allo schema che ho usato io e che vedi ad inizio articoli, come detto devi vedere tu cosa ti serve e cosa vuoi realizzare…
Non ho capito bene la tua ultima domanda: se parli del relè automatico allosa si, funziona solo in un senso, cioè ha un cavo di ingresso che “sente” quanti volt ci sono ed uno di uscita che manda in carica la batteria servizi (che avrà giocoforza minor voltaggio non essendo collegata all’alternatore).
Ma un relè solitamente non ha un senso, è semplicemente un interruttore, azionato elettricamente invece che manualmente, che mette in contatto due cavi… a quale dei due poli colleghi i cavi non ha importanza (ovviamente parlo dei due contatti di potenza, quelli della bobina fanno storia a sè).
CIAO, e grazie per tutto ciò che hai scritto.
Ho camperizzato un Viano Mercedes e sto installando la seconda batteria.
Non sono molto pratico di impianti elettrici, e probabilmente per il mio utilizzo mi basta un impianto semplice, come il tuo esempio 1 circuito base da te descritto.
Unica cosa che vedo interessante per me sarebbe mettere un misuratore di carica della batteria servizi in modo da non “svuotarla” completamente in caso di lunga sosta.
Non è che potresti postare uno schemino anche per un impianto simile? grazie!!!!
Ciao, se guardi bene sullo schema è già previsto il voltmetro per controllare sia la batteria servizi che quella motore. Se ti interessa tener d’occhio solo quella dei servizi è sufficiente collegare positivo e negativo, più semplice non si può
Ciao Gegio, quanta pazienza che hai 😀 hehe..
allora riguardo al relè si mi hai risposto, intendevo sapere se, in termine pratico, la corrente va solo da dx a sx o anche viceversa..ok ci siamo quasi per quanto riguarda il circuito, diciamo che siamo all’esempio 2 secondo step (quindi ultimo schema) se io metto uno staccabatteria come in questo schema
ha la stessa funzione del relè giusto? ovvero se azionato mi carica la batteria altrimenti no..sbaglio?
grazie ancora
Jacopo
Si, lo stacca avrebbe la stessa funzione del relè ma sarebbe inutile!
Mi spiego: un conto è mettere un relè che è comandato dall’alternatore (come il mio automatico oppure come penso si possa fare collegandolo alla spia dell’alternatore sul cruscotto), un conto è mettere uno staccabatterie che devi girare a mano! A questo punto basta che ruoti il deviabatterie marino: hai lo stesso risultato con un componente in meno 😉
grazie mille Gegio…sei stato preziosissimo…grazie davvero..
Figurati 😉
Alla prossima….
ciao Gegio.
sto per realizzare l’impianto per la seconda batteria per fari ausiliari, verricello ecc ecc, la mia idea di base è:
due batterie come quelle da te utilizzate, lo optima o exide sono esageratamente care!!!!! poi vorrei semplificare l’impianto utilizzando un dispositivo automatico di gestione/ricarica delle stesse.
una sola cosa mi rimane da analizzare, l’alternatore.
sul tuo defender hai fatto degli interventi o modifiche per installarne un secondo oppure uno di capacità maggiori?
grazie per la disponibilità.
alan
Nessuna modifica sull’alternatore… sò di gente che lo sostituisce con un altro più grande o ne aggiunge un secondo ma io non ho troppe pretese e i 60A di quello di serie mi bastano, tutt’al più impiegherà più tempo a ricaricarmi le due batterie…
grazie ancora per le dritte.davvero preziose….
per ora farò il lavoro così, poi penso che mi farò la modifica per mettere un secondo alternatore…mi devo preparare un pò per volta per il viaggio dei viaggi…italia-siberia (lago bajkal).
Però, fai le cose in grande! 😉
Ciao Gegio
torno all’attacco…sul sito della ditta australiana del relè automatico ho trovato questo http://www.sidewinder.com.au/page79.html 140 A mi lascia tranquillo considerando che ho batteria da 110 e l’alternatore è molto grosso, tu avevi altri siti da consiglaire? hai rpeso qui tu?..
grazie mille di tutto
Jacopo
Che la batteria sia da 110Ah conta poco, piuttosto bisogna capire cosa intendi con “l’alternatore è molto grosso”… se non supera i 140A stai a posto 😉
Ciao
Roberto
quello del td5 mi pare sia da 120 Ah
lo hai preso li anche tu? o hai qualche sito da consigliare?
Jacopo
Io lo acquistati su Ebay ma sempre da loro, ricordo anche che la spedizione fu velocissima…
purtroppo mi hanno risposto che non spediscono in Italia, quindi sono punto a capo, comunque grazie mille per il disturbo 😀
Come sempre qui in Oz! mica come in It! 🙂
Una curiosità Gegio, come ti sei comportato col fatto che il vano batteria abbia sul retro que due grossi fori per l’evacuazione dei fumi da batteria? perchè dalle foto si capisce che non rimane più spazio utile, e sembra quasi che i fori siano tappati.
Vorrei provare anch’io ad installare la seconda batteria, ma sono sempre un po “worried” della mia completa ignoranza a proposito di cose elettriche, per me l’elettricità si comporta come una donna…”fa cose insensate e combina tanti danni anche se non vuole”!
Ciao e grazie
E’ vero Dado, i fori presenti di serie per l’evacuazione di eventuali gas prodotti dalle batterie risultano ridotti.
Per ovviare ho praticato diversi fori con una punta dell’8 nella parte anteriore del gavone, verso il cambio per intenderci.
I fori sono stati fatti successivamente e non ho foto al riguardo.
Ciao
Roberto
ciao Gegio, adesso il sidewinder si trova solo da 140AMP…pensi possa andar bene lo stesso?
Se il tuo alternatore non supera i 140A và più che bene.
Ciao Gegio.
Bellissimo articolo ed utilissime risposte a tutte le domande.
Volevo porti una domanda:
Obbiettivo:caricare una batteria (recuperata da un`altra auto sulla quale è stata installata una batteria piú potente) ausiliaria da 75A da usare solo per frigo portatile lettore dvd portatile ed altri piccoli ammennicoli 12v per evitare di scaricare la batteria principale a motore spento.
Premessa: l’accendino dell’auto è alimentato solo a vettura in moto.
Ho quindo collegato la batteria ausiliaria alla presa accendino con la speranza di caricarla durante l’uso della vettura controllando che il cavetto usato non si riscaldasse.
A motore spento a mio parere le 2 batterie dovrebbero essere separate e quindi non dovrei rischiare di scaricare la batteria principale (posso comunque estrarre lo spinotto dalla presa accendino per evitare problemi)
A tuo parere c’é qualche errore nella mia idea?
Rischio di rovinare l`alternatore o qualche altro componente?
La batteria principale è piú grande, ho letto da qualche parte che le 2 batterie devono essere uguali, é vero o va beno lo stesso?
É meglio staccare il cavetto dalla presa accendino una mezzoretta prima dell’arrivo così da essere sicuri che comunque l’alternatore lavori solo per la batteria principale che quindi sarà in grado di riavviare la vettura?
Scusa per la quantità industriale di domande e grazie in anticipo per la Tua disponibilità.
Ehh, bella domanda la tua.
In teoria dovrebbe funzionare come dici, il mio unico dubbio è che se colleghi la batteria ausiliaria quando questa è a terra o quasi ci sia un grosso passaggio di corrente attraverso l’accendisigari (problema comunque marginale a voler vedere visto che la presa è protetta da fusibile).
Credo che valga la pena provare 😉 (e poi magari facci sapere com’è andata…)
Ciao
Roberto
…l’ho poi fatto, e per ora sembra funzionare quasi tutto.
L’unico problema é che non posso lasciare lo spinotto inserito nella presa accendisigari a motore spento. Una volta ho dimenticato di toglierlo e, dopo solo una notte ho dovuto attaccarmi coi cavi alla batteria di un’altra vettura per poter riavviare la mia che era completamente a terra.
Non capisco perché; in quanto l’alimentazione della presa accendisigari non é alimentata quando spengo la vettura ed estraggo le chiavi.
Ciao.
Max
Sei certo che a quadro spento l’accendisigari sia isolato? Perchè se così fosse come ha potuto scaricarsi la batteria di avviamento?
Non ho controllato con un tester, ma se ci attacco qualsiasi utenza come frigo portatile o caricacellulare ho un funzionamento solo dopo aver acceso il quadro.
Inoltre l’autoradio, non funziona a quadro spento ma se premo il tasto espulsione cd, questo esce…
Potrebbe essere solo una riduzione di voltaggio senza una separazione netta? A me non sembra possibile (oltre che inutile), comunque appena ho tempo provo a vedere se passa ancora qualche volt nell’accendino a quadro spento.
Gegio, un paio di domande: lo stacca batteria non è meglio che isoli il positivo?
…dico questo perchè a volte mi capita che quando stacco il positivo e mi tocca sul telaio scintilla, quindi forse sarebbe meglio isolare il +…..o no?
Il cavo marrone (-) che porti insieme a blu (+) ai servizi, si possono far finire su di una morsettiera con fusibili senza problemi?
Dato che ho intenzione di mettere un pannello fotovoltaico “on demaind” (spinotti rapidi al quale attacco il pannello all’occorrenza di campeggio stabile senza 220) in parallelo all’impianto su batteria ausiliaria, al posto del to parallelatore, posso aggiungere questo? http://www.simatshop.com/catalogo/SEPARATORE-AUTOMATICO-di-BATTERIE-PARALLELATORE-CBE-CSB40-SP-CAMPER
Allora…. stacca sul negativo/stacca sul positivo è una antica diatriba 🙂
Diciamo che staccare uno o l’altro polo elettricamente parlando è la stessa cosa, in ogni caso si esclude quello che stà a valle.
Bisogna fare però dei distinguo: se devi isolare un verricello o un compressore per esempio è meglio, se non necessario, staccare il positivo in quanto staccando il negativo potresti non riuscire ad isolare l’apparecchio che è fissato al telaio e quindi a massa, nel nostro caso invece si trattava di dover isolare tutto l’impianto e in questo caso si preferisce isolare il negativo proprio per evitare che resti tensione nel telaio dell’auto, come quando si staccano i morsetti della batteria e si stacca per primo quello negativo.
Il cavo che alimenta i servizi puoi tranquillamente collegarlo come dici ad una morsettiera (normale per il negativo e con fusibili per il positivo).
Sul pannello fotovoltaico non sò aiutarti in quanto non ne ho mai montati, il separatore che linki dovrebbe andare bene anche se mi pare troppo “da camper” (per esempio l’uscita per alimentare il frigo solo a motore avviato, tipico dei camper, a te non serve a meno che tu non abbia un trivalente)
Ho dato una vista sul sito della sidewinder ed ho visto che ha un prodotto ( http://www.sidewinder.com.au/page240.html ) che dovrebbe essere quello che hai fatto tu con parallelatore + relè.
Che ne pensi?
Ho anche trovato un’altro buyer per acquistarlo
http://www.ebay.it/itm/200-AMP-Battery-Isolator-Dual-Battery-auto-increase-battery-12V-/251338972824?pt=Motors_Car_Truck_Parts_Accessories&hash=item3a84f85e98&_uhb=1
Sembra perfetto, tra l’altro ha anche la possibilità di aggiungere una spia remota ed un pulsante per forzare la chiusura dei contatti….
Secondo te è possibile predisporre la possibilità di ricaricare le batterie con un pannelllo solare?
Certamente, ne ho installati tre sul camper qualche mese fa: non si tratta altro di collegare i pannelli al regolatore di carica e quest’ultimo alla batteria
ciao Io ho fatto una cosa simile con tre batterie in parallelo. due per il motore e 1 per i servizi.Tuttavia ho montato 3 diodi Schottky da 700 ampere di spunto e 120 continui ( uno su ogni batteria) che ricevono la carica dall’alternatore e altri 3 diodi sempre uno su ogni batteria che collegano i carichi attaccati al positivo delle batterie. Lasciare in pieno parallelo delle batterie per autotrazione o peggio piombo con agm a mio parere può portare a deteriorare le batterie in breve tempo essendo dei carichi “attivi” che offrono differente resistenza interna in base a materiali usati, tecniche costruttive, carica effettiva. La batteria con minore resistenza attirerà maggiore corrente fornita da altre batterie più cariche. Per ipotesi se una batteria fosse difettoso , scarica o in corto in un elemento scaricherebbe in brevissimo tempo le altre batterie collegate in parallelo e non separate da l diodo. Diversamente se messe in serie per avere 24 volt in serie si hanno meno problemi.
Ciao Gegio, mi piace il tuo progetto, ho acquistato tutte le componenti,voglio montarlo sul mio def 110, ma ti chiedo perchè hai messo un deviatore se poi metti un relè con doppio contatto No / Nc per l’invio alla misurazione del voltometro? può bastare il devio 0n off on ? resto in attesa di un tuo riscontro. Fabio
Ciao, deviatore e relè servono a due cose dverse: il relè switcha tra il segnale sotto quadro e quello che gli arriva dal deviatore mentre con quest’ultimo scegli quale batteria controllare. In pratica a motore avviato vedrai i volt delle due batterie (che dovrebbero essere collegate in parallelo in quel momento), a motore spento e batterie separate potrai vedere i volt dell’una e dell’altra grazie al deviatore
Grazie Roberto, una sola precisazione, il relè mi fara vedere la tensione della batteria selezionata dallo staccabatteria marino; Giusto?
Ciao, complimenti x il lavoro! Ti volevo chiedere un consiglio. Io ho una macchina “normale”, non un fuoristrada. Siccome ho un assorbimento anomalo che anche a motore spento, mi butta giù la batteria e nel giro di 2 gg non riesco più a ripartire. Pensavo di montare una seconda batteria x far partire la macchina nel caso in cui la prima non ce la faccia. Però l’unico posto x mettere la seconda batteria nella mia auto, è il bagagliaio. Posso fare ugualmente un impiamto tipo il tuo x fare ricaricare anche la seconda e collegarla quando necessario? Grazie mille
Ciao, puoi farlo ma lo vedo un lavoro inutile nel tuo caso. Prima cosa dovresti trovare la causa dell’assorbimento anomalo e se non riesci potresti rimediare con un semplice staccabatteria per isolare la batteria ed evitare che si scarichi, poi certo puoi fare anche un impianto tipo questo ma lo vedo eccessivo