Credo di aver trovato una soluzione semplice, non invasiva e soprattutto definitiva al problema del devioluci che fonde.
Come ho scritto qualche mese fà quando mi si è bruciato il devio, avevo intenzione di mettere un relè che sopportasse lui il passaggio di corrente evitando così di surriscaldare il devio.
La soluzione del relè è ormai ampiamente utilizzata e in rete si trovano diversi schemi su come realizzarla… ho però notato che a surriscaldarsi non era tanto il devio ma soprattutto il connettore da cui il calore si irradiava attraverso i cavi fino appunto al devio, segno di un impianto sottodimensionato… insomma mi sono reso conto che mettere il relè era un palliativo, come se in un impianto elettrico con una dispersione dove salta il fusibile si rimediasse mettendone uno più grande, si tampona ma non si risolve il problema.
Inoltre l’aggiunta di questo relè comporta la modifica dell’impianto elettrico con tutto quello che questo comporta e non tutti se la sentono di farlo…. e non è detto che tra un po’ non inizino a sciogliersi i relè aggiunti in questi anni.
La mia idea è di non toccare nulla dell’impianto originale ma di utilizzarlo per comandare due relè, uno per gli anabbaglianti ed uno per gli abbaglianti, che avranno una linea di potenza dedicata che arriva direttamente dalla batteria e che quindi non sovraccaricherà più non solo il devio ma nessuna parte dell’impianto di serie.
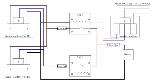
Questo è lo schema che ho pensato:
La cosa è talmente semplice da risultare scontata: basta scollegare i due connettori delle lampade, utilizzare il segnale elettrico di anabbaglianti ed abbaglianti per comandare due relè che a loro volta, attraverso due nuovi connettori, manderanno corrente alle lampade , corrente presa direttamente dalla batteria con un cavo di sezione adeguata.
Servono due relè (io uso quelli con fusibile integrato che considero più pratici, in alternativa vanno bene anche i relè classici purchè si aggiunga un fusibile sullaa linea), due connettori per lampade H4 (si trovano comunemente dagli autoricambi), del cavo unipolare da 6mmq, del multipolare da 1,5mmq, in foto vedete anche una scatola stagna che poi non ho usato optando per un’altra più piccola
Per questioni di praticità ho deciso di portare la linea di potenza sotto al cofano e di mettere i relè direttamente lì, per i soli fari sarebbe stato sufficiente un 4mmq, io ho usato un 6mmq perchè in futuro ho intenzione di collegarci anche dei fari ausiliari (la piattina rossonera che si vede in foto è la linea di comandi per questi fari e non serve per questa realizzazione)… per far passare i cavi ho utilizzato un corrugato che avevo piazzato tempo fà per l’antenna del cb
questo corrugato entra nell’abitacolo attraverso un foro che si trova dietro il coperchio della scatola dei fusibili
in alternativa si può passare sotto l’auto, sbucando direttamente nel gavone della batteria.
Come si vede in foto ho tirato sia un cavo per il positivo che uno per il negativo, i cavi sono poi stati collegati alla batteria e protetti da un fusibile da 40A.
A questo punto si passa ai due connettori per H4: questi connettori vengono venduti già cablati con tre sottili spezzoni di cavo da 1/0,75mmq (ad occhio) che è poi anche la sezione dei cavi di serie.. sia per evitare giunte inutili che per non avere strozzature di sezione ho preso anche i faston appositi per intestare direttamente il cavo da 1,5mmq
quindi si tolgono i cavetti dal connettore e si mettono i nostri
Dei cinque fili del cavo utilizzato, tre vanno al nuovo connettore H4 e sono quelli che porteranno corrente alle lampade, gli altri due vanno inseriti nel vecchio connettore di serie e vanno intestati con un normale faston maschio, questi cavi porteranno il comando ai due relè… il terzo polo dei connettori è la massa e non serve prenderla dai vecchi connettori ma solo portarla ai nuovi.
Basta quindi staccare i connettori di serie dalle lampade e infilare i nostri avendo anche cura di collegare i due cavetti che serviranno per comandare i relè, quet’ultimi è sufficiente collegarli ad uno solo dei due connettori originali (destro o sinistro) ma se si vuole si possono collegarli ad entrambi e rendere così il sistema ridondante.
Fatto questo si fanno i collegamenti ai relè: i due fili che arrivano dal connettore originale alle bobine e quelli che vanno ai nuovi connettori all’uscita dei contatti di potenza e il gioco è fatto.
I relè ho deciso di attaccarli al labbro di rinforzo del parafango sfruttando dei fori già presenti
lì vicino si vede la piccola scatola stagna che ho utilizzato per le derivazioni fissata sul supporto del parafango.
Le foto mostrano la sistemazione provvisoria, dovrò provvedere a proteggere in qualche modo i relè dalla pioggia, ma questo non è rilevante ai fini dell’articolo.
A differenza della vecchia modifica col relè a protezione del devio, col mio sistema non si tocca minimamente l’impianto originale, si eliminano tutti i problemi di un impianto vecchio e sottodimensionato e quindi non solo quello del devio ma anche dei connettori laschi, dai fili di sezione non adeguata, ecc, si aumenta la sezione dei cavi e quindi la corrente che arriva alle lampade (che in effetti diventano più luminose), infine in caso di guasto della modifica, fosse anche un fusibile saltato, basta aprire il cofano e ricollegare i connettori originali alle lampade, due secondi e tutto torna come prima… insomma in un colpo solo si hanno una serie di vantaggi non indifferenti.
Aggiornamento del 03/03/2012
Come preannunciato ho sistemato in versione definitiva i due relè: sono poi tornato sui miei passi ed ho ripreso la scatola stagna che pensavo di utilizzare fin dall’inizio dei lavori, ora i relè sono protetti dalla pioggia restando comunque di facile accesso in caso serva controllarli
Lista della spesa (cliccka sugli articoli che ti interessano)
– Relè
– Connettori lampade H4
– Cavo unipolare
– Cavo multipolare
– Scatola derivazione stagna
– Tubo corrugato
– Faston
– Fusibili e portafusibili
– Lampade H4
e per chi avesse fretta o poca manualità, ecco il kit completo già pronto
Articoli correlati











Devioluci bruciato, come rimediare al volo…
Recuperare il devioluci


















Roberto Salini – quello che i miei occhi hanno visto.
Sea Stones
Agriturismo Poggio Caminata
_______________________________
…ottimo Gegio …peccato che non saprei nemmeno da che parte iniziare ma avrei bisogno anch’io di fare un lavoro così … :-))
Esistono sempre gli elettrauto … 😉
A parte che per l’uso serale che ne faccio del mio 110 , potrei tranquillamente toglierli i fari … 🙂
Saluti … 😉
Non ti serve l’elettrauto, per un piatto di chisolini dei tuoi ti rifaccio l’impianto completo, ahahah 🙂
Comunque la modifica è semplicissima, solo che l’ho spiegata da schifo… ma me la cavo meglio coi fili che con le parole 😉
Gegio ma il tuo impianto vale per 1 connettore dei fari o per entrambi?
complimenti ancora per l’elaborazione dell’impianto…geniale.
credo proprio che effettuerò la modifica anche sul mio td5.
se posso chiederti dove riesci a reperire il materiale? nelle mie zone (verona) mi guarderanno alienati quando chiederò faston a 90° e connettori h4….lo dico per esperienza quando cercavo il materiale per la doppia batteria.
Ciao Alan,
connettori, faston e relè li prendo da un autoricambi ben fornito di Piacenza, per intenderci non uno di quelli che vendono le foderine di Hello Kitty ma di quelli che hanno piccola ricambistica…
I faston a 90° che vedi sono apposta per quei connettori ed esistono solo in versione femmina, tanto che per prendere corrente dai vecchi connettori ho dovuto utilizzare dei faston maschi standard, leggermente più stretti ma adatti comunque allo scopo.
Cavi e scatoline stagne è roba che trovi comunemente nei vari brico, in particolare per questo lavoro mi sono rifornito al Leroy Merlin.
Mah !! sono un po in stand-by con il 110 ma se mi rimetto in moto per un lavoro così chisolini e salume tutto l’anno 🙂
strano a dirsi ma tutt ora sul mio 90 non ho mai riscontrato problemi di surriscaldamento ma nel caso terrò ben presente la tua soluzione, ciao Gegio a presto
Ciao Acer, quanto tempo che non ti sento 🙂
Tu non hai mai avuto problemi di surriscaldamento perchè il 90 lo tieni sempre in garage! ahahah 😛
ciao 🙂 guarda che il mio 90 è un vero land da battaglia 😛
confermo , dove passa il land di Giorgio nn cresce più l’erba, ……almeno nel pistino di Calvisano è successo questo mi dicono..hihih
Ciao Gegio continua a stupirci con i tuoi bellissimi lavori
Flavio
😀 Ciaooooo Flavio, tu si che te ne intendi 🙂
Stesso problema, piú volte tamponato, sono felice di avervi incontrato, magari lo sistema definitivamente il devioluci tentennante!
Buongiorno Gegio ho un td5 con lo stesso problema sui fari ,nel mio caso si accendono solo le luci di posizioni ma non si accendono i fari anabbaglianti e abbaglianti .Non riesco a capire da dove non arriva la corrente al devio luce , te ne sarei grato se mi daresti in merito una risposta con stima Carmine Arcuri
.
La corrente ci arriva al devio, solo che poi non esce in quanto lo stesso devio è fuso.
Quindi per prima cosa cambiare il devio, poi fare la modifica che leggi in quest’articolo per preservarlo per il futuro 😉
O pure io losteso problema quanto mi costera per favore me lo potete dire
Ora non ricordo la spesa ma sicuramente non un patrimonio, fatti un giro dai ricambisti per i relè ed i connettori e in un brico per il cavo e fai due conti…
Ciao a tutti so che non C entra con questo argomento, ma avrei bisogno di aiuto, ho un td4 devo sostituire una lampadina del riscaldamento ma non so come si fa a togliere il frontalino centrale che contiene ii comandi del riscaldamento i vari tasti la radio ecc. qualche d uno mi può indicare come togliere questo pannello? Grazie in anticipo e complimenti per il sito molto utile
Ciao Dany
[…] Soluzione definitiva al devioluci che fonde […]
Buonasera genio ho bisogno di aiuto per la mia Range Rover Sport 2.7 td6 anno 2009
scusa Gegio